蓄电池远程核容丨电动开关硬闭锁逻辑设计
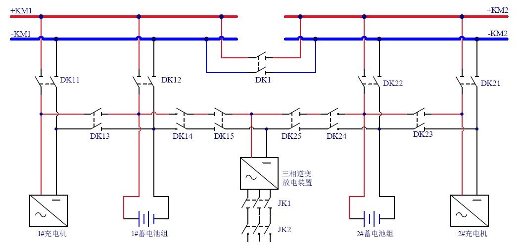
2021-05-19对于蓄电池维护,核容放电是目前衡量蓄电池供电能力最有效的手段之一,通常每年需进行一次周期性核对性放电,而人工核容操作繁琐,需耗费大量人力物力。 MDC-2000 蓄电池综合监测及远程自动维护系统可在后台服务器远程启动核容...
销售热线:400-099-8859 技术热线:13971234137

对于蓄电池维护,核容放电是目前衡量蓄电池供电能力最有效的手段之一,通常每年需进行一次周期性核对性放电,而人工核容操作繁琐,需耗费大量人力物力。 MDC-2000 蓄电池综合监测及远程自动维护系统可在后台服务器远程启动核容...
日前,武汉豪迈受邀参加某省并网电厂继电保护、电能质量及励磁专业技术监督工作会议,作了变压器油中气体在线监测技术专题报告,现场展示出多款适用于电厂的一二次测试设备,受到与会专家、学者的高度关注。 下面对几款高人...
X时限与Y时限是就地型馈线自动化电压-时间型分段器的重要参数,简单来说X时限是指合闸的时间,Y时限是指故障检测时间。 开关分位、电源侧或负荷侧有压并且保持X时限,开关合闸。 开关合闸之后,经过Y时限,确认合闸成功。 ...
五一假期,武汉豪迈有这样一群人,由于工作项目时间紧任务重,他们无暇欣赏美景,放弃与家人的团聚,以另一种方式度过劳动节,坚守在自己的岗位默默发光发热。 5月1日劳动节清晨,伴随着第一缕阳光,豪迈正维、湖北润宏工程人员...
配电自动化是提高供电可靠性的重要手段,当配电网故障发生后,配电自动化主站根据配电自动化上报的故障信息进行故障定位、自动隔离和恢复健全区域供电。 以往配电自动化故障处理缺乏有效的测试手段,只能在长期运行中等待故障发生后...
Copyright © 2018 武汉市豪迈电力自动化技术有限责任公司 All rights Reserved.
备案号:鄂ICP备05010718号-1